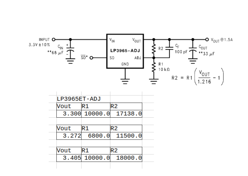
/ LP3965ET-ADJ 検討中

LP3965ET-ADJ 検討中

LP3965ET



— posted by くま at 11:24 am   commentComment [0] 

この記事に対する TrackBack URL:


コメントをどうぞ。 名前(ペンネーム)は必須で、ウェブサイトURLはオプションです。

ウェブサイト (U):

タグは使えません。http://・・・ は自動的にリンク表示となります

:) :D 8-) ;-) :P :E :o :( (TT) ):T (--) (++!) ?;w) (-o-) (**!) ;v) f(--; :B l_P~ (QQ)

     

[Top ↑]

<< 2025.11 >>
SMTWTFS
      1
234 5 6 7 8
9101112131415
16171819202122
23242526272829
30      
 
























T: Y: ALL: Online:
ThemePanel
Created in 0.0429 sec.